깊은 홈 볼 베어링의 단일 컬럼은 널리 사용되며 마찰이 작습니다. 이는 부적절할 수 있는 속도에 직면할 수 있는 저소음 및 저진동에 최적화되어 있습니다. 이 베어링은 모든 방향에서 방사상 및 축 질량을 향할 수 있고 파손이 없으며 많은 개별 베어링 유형보다 훨씬 적습니다.
깊은 홈 베어링은 내연 기관, 여행자 차량, 농업 기계, 개발 기계, 개선 기계 등에 사용할 수 있습니다. 깊은 구멍 베어링은 가장 일반적으로 사용되는 구름 베어링입니다. 사용하기 편리한 구조입니다. 일반적으로 레이디얼 하중을 견디는 데 사용되지만 베어링의 레이디얼 구멍이 증가하면 볼 베어링과 구석 접촉의 의지력에 대한 표준 전체 성능을 가지며, 이는 레이디얼 및 축 결합을 향할 수 있습니다. 짐. 속도가 엄청나고 스러스트 볼 베어링을 더 이상 적용할 수 없는 경우 순수한 축 하중을 견디는 데 사용할 수 있습니다. 측정 및 사양에 따른 특정 종류의 베어링과 비교하여 이러한 베어링은 마찰 계수가 작고 속도가 제한됩니다. 그러나 더 이상 저항에 영향을 미치지 않으며 더 이상 베어링에 적합하지 않습니다.
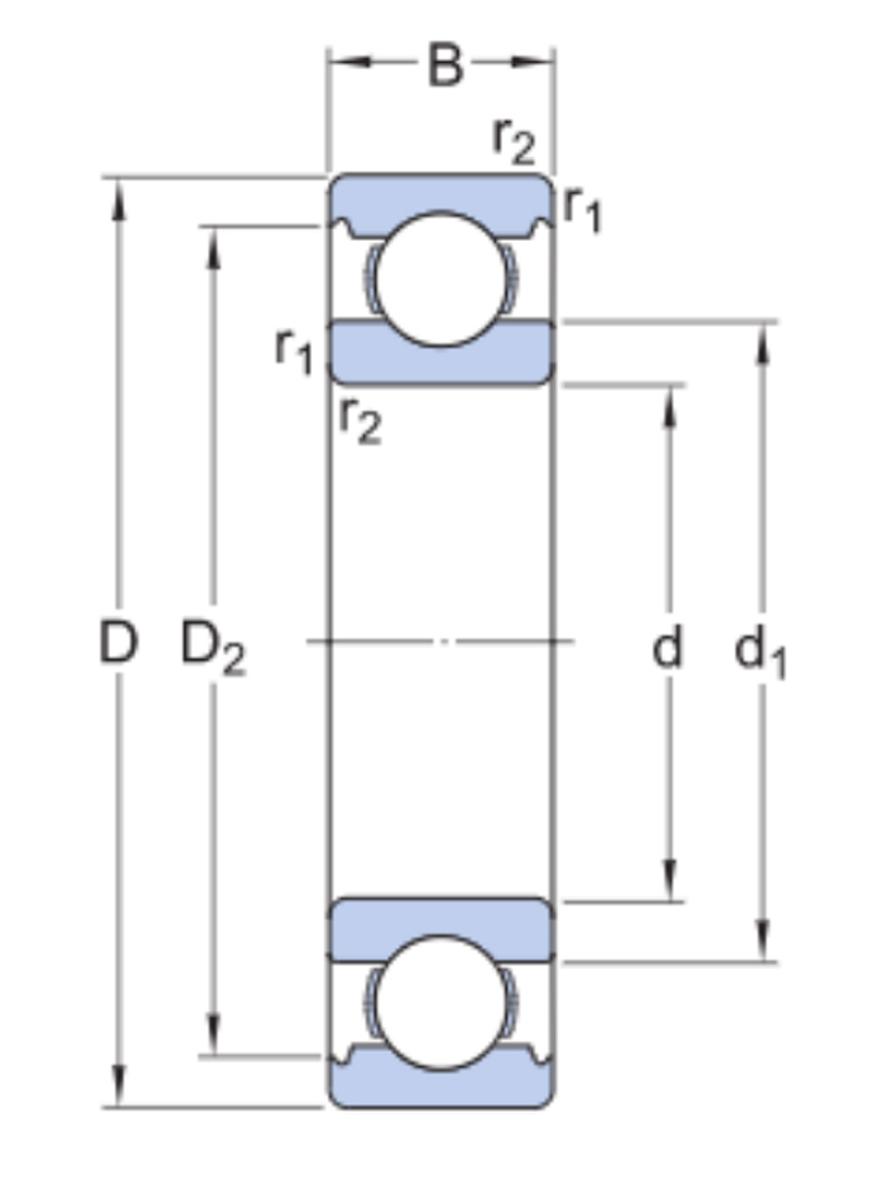
치수:
디 |
12mm |
보어 직경 |
디 |
28mm |
외경 |
비 |
8mm |
너비 |
디1 |
17mm |
어깨 직경 |
디2 |
24.72mm |
오목면 직경 |
아르 자형1,2 |
최소0.6mm |
모따기 치수 |
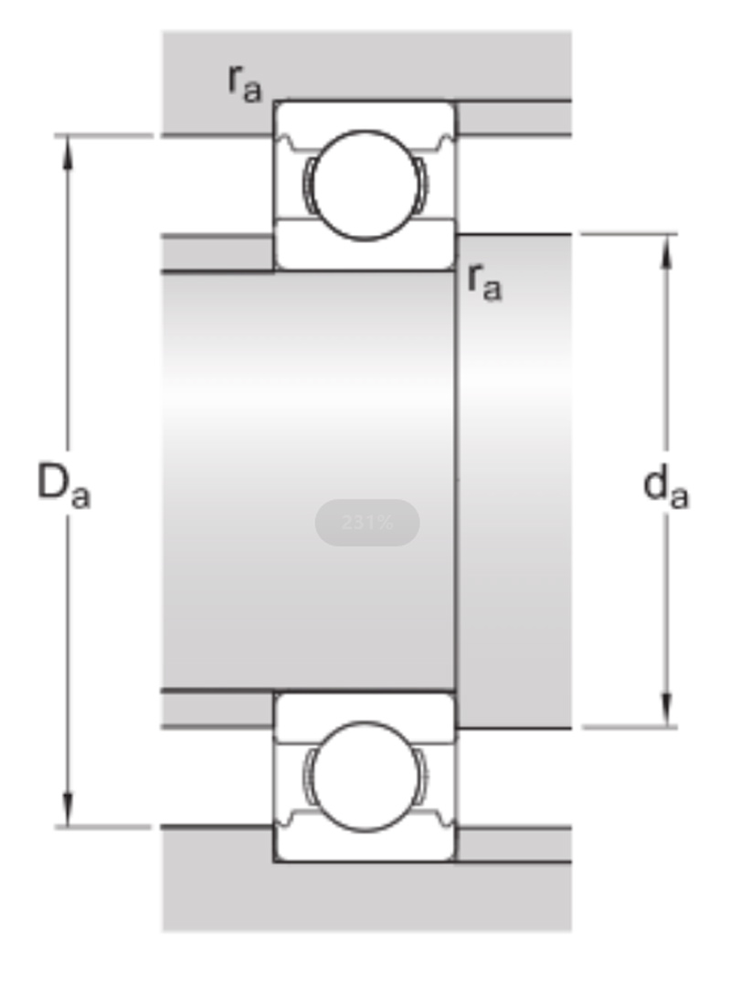
어버트먼트 치수:
다 |
최소 14mm |
샤프트 어버트먼트 직경 |
다 |
최대 26mm |
하우징 어버트먼트 직경 |
아르 자형ㅏ |
최대0.3mm |
샤프트 또는 하우징 필렛의 반경 |
계산 데이터:
기본동정격하중 |
씨 |
5.4kN |
기본정정격하중 |
C0 |
2.36kN |
피로하중 한계 |
푸 |
0.1kN |
기준 속도 |
6000r/분 |
|
속도 제한 |
38000r/분 |
|
최소 부하율 |
크르 |
0.025 |
계산요소 |
f0 |
13 |
질량 : 0.021kg




